• [alt2]
  • Extended
  • Welded
  • Welded
  • Welded

Extended tube ANSI ball valve

  • Size Range::1/2”-2”
  • Pressure: :Class150-Class2500
  • Body Materials:ASTM A105/ LF2
  • Connection end::welded
  • Temperature::-29°C to 425°C
  • Design Standard: :ASME B16.34

We're here to help:
Easy ways to get the answers you need.

  • Product description
  • Technical parameters
 Introduction
Yuming Valve Group's forged steel ball valves, utilising the unique characteristics of the forging process and its structural design, are widely used in industrial fluid control. Their core advantages can be categorised into performance stability, structural characteristics, and adaptability to various application scenarios, as follows:
1. Excellent Structural Strength and High-Pressure Resistance
2. Excellent Sealing Performance with Extremely Low Leakage
3. Wear and corrosion resistance, long service life
4. Convenient Operation, Low Flow Resistance Loss
5. Compact Structure, Suitable for Complex Installation Environments
6. Wide range of applicable media and strong adaptability to working conditions
7.The length of the connecting pipe can be customized according to customer needs


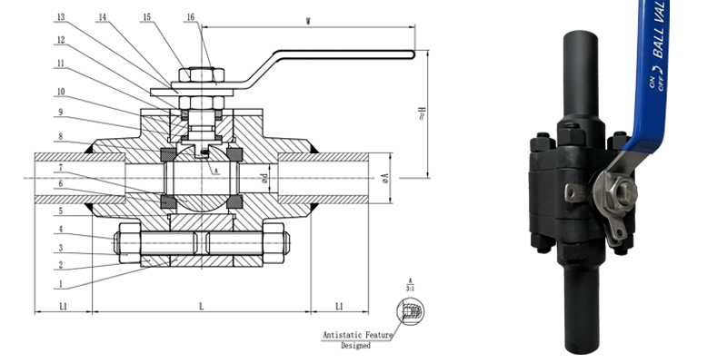
NO PART MATERIAL
16 LEVER C. S+PVC
15 NUT A194 2H
14 LOCATOR CARD 1025+ZN
13 LOCATING PIN S. S
12 GLAND SS304
11 PACKING GRAPHITE
10 O-RING VITON
9 GASKET PTFE
8 STEM A182 F304
7 BALL A182 F304
6 SEAT RPTFE
5 GASKET SS304+GRAPHITE
4 BOLT A193 B7
3 NUT A194 2H
2 BONNET A105
1 BODY A105

CLASS NPS d L L1 D H W
800LB 1/2" 13 92 100 21.3 56 130
3/4" 18 111 100 26.7 70 160
1" 24 127 100 33.4 80 220
1 1/2" 38 152 100 48.3 100 250
2" 49 178 100 60.3 110 290
 
Inquiry